Каталог товаров

H-1552 (M-1552) высокоскоростной сквозной вращающийся гидравлический цилиндр для токарного патрона

Артикул: 30169
( 1 )
Уточняйте наличие на складе
В наличии на складе
0 руб. с НДС
0 руб. с НДС
+
Способы доставки

Доставка курьером Автолайтэкспресс по всей Беларуси.
Самовывоз из пунктов выдачи Автолайтэкспресс по всей Беларуси.
Самовывоз с нашего склада в Минске.
Безналичный расчет для юридических лиц и ИП.
Бесплатная доставка от 500 руб. с НДС.

Способы оплаты

Безналичный расчет для юридических лиц и ИП.
Бесплатная доставка от 500 руб. с НДС.

Описание

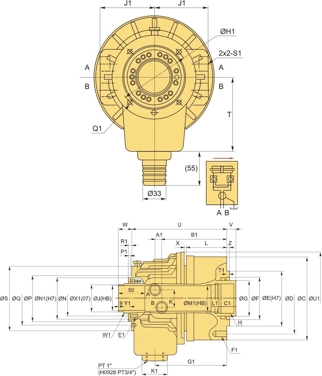
Гидроцилиндр приводной серии M, с открытым центром. Диаметр поршня 155 мм, ход поршня 22 мм. Максимальная скорость 6200 об./мин, сквозное отверстие 52 мм. Резьба втягивающей трубы M58x1.5. Макс. рабочее давление 4.0 Мпа. Для силовых патронов AUTOSTRONG, Kitagawa и т.п. Для работ, требующих сквозного отверстия.

Компактный и легкий! Большое сквозное отверстие, высокая скорость вращения при сниженной нагрузке на шпиндель и стабильная работа, даже при падении давления в системе.

Гидравлический вращающийся цилиндр M1552 с внутренней резьбой применяется для передачи тягового усилия через втягивающую трубу к патрону токарного станка с ЧПУ/ПУ для зажима/разжима заготовки.

Металлический пруток или заготовка подается сквозь полый гидроцилиндр в шпиндельную трубу станка и далее в токарный патрон для последующей обработки.

Преимущества зажимных гидроцилиндров CNCM для токарных патронов:

  • Компактность и малый вес: По сравнению с обычной оснасткой, он компактнее (корпус уменьшен на 95 мм) и легче (вес меньше на 4,5 кг).
  • Гидроцилиндр более устойчив и снижает нагрузку на станок при высокоскоростной обработке.
  • Очень большое проходное отверстие: по сравнению со стандартными моделями, диаметр отверстия увеличен примерно на 20%.
  • Диаметр отверстия подходит для оптимального использования прутковой емкости шпинделя станка. Позволяет увеличить размеры обрабатываемых деталей.
  • Безопасная конструкция оснастки: цилиндр может удерживать усилие зажима с помощью обратного клапана (при внезапном падении давления в подводящей системе/отключении электроэнергии или при обрыве подводящих шлангов).

Гидравлические цилиндры вращающиеся зажимные используются для установки в различные металлорежущие станки в качестве специального привода для механизированных патронов. Оснастка приводит в действие зажимные кулачки в токарных мех. патронах с помощью тягового штока.

Тяговый шток проходит сквозь полый шпиндель и соединяется с токарным патроном, заставляя его сжимать и разжимать кулачки.
Устанавливается на токарный станок с обратной стороны шпинделя.

Приводные цилиндры с гидравлическим приводом обычно дороже пневмоцилиндров, имеют плавный ход, мощные зажатие, среднее рабочее давление 4 mPa.

Технические характеристики
  • Страна бренда:
    Россия
  • Страна производства:
    Китай
Отзывы
Пока нет комментариев
Написать отзыв
Имя*
Email
Введите комментарий*
Скидки и специальные цены оптовикам
Скидки и специальные цены оптовикам
Помощь в выборе инструмента
Помощь в выборе инструмента
Доставка по Беларуси
Доставка по Беларуси
Самовывоз из пунктов выдачи
Самовывоз из пунктов выдачи